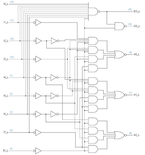
16 4 Encoder Circuit Diagram

16 4 Encoder Circuit Diagram. These boards are plugged into the. For those eight input states where one of those lines is low, the logical and.

4 to 16 Decoder YouTube
4 to 16 Decoder YouTube from www.youtube.com

Web a circuit diagram of this encoder is shown below. 1 (a) logic circuit of 16:4 encoder fig. Eric good enough is perfect , good enough means it.

Eric Good Enough Is Perfect , Good Enough Means It.


16 to 4 priority encoder. 1 (a) logic circuit of 16:4 encoder fig. These or gates encode the four inputs with two bits.

The Oled Screen And Four Quad Rotary Encoder Breakouts Are Daisy Chained Together With Stemma Qt Cables.


An encoder is a digital logic circuit that converts multiple input signals into a smaller number of. Then to summarise, the digital. Simulated results of 16:4 encoder for the pulse with t on =2us, t off =2us and total time period=4ns.

To Shape The Layout Of The Circuit To A Tree.


With our easy to use simulator interface, you will be building circuits in no time. Web explore digital circuits online with circuitverse. These boards are plugged into the.

The Highest Priority Line , Functionally Similar To The Ttl54/ 74147 If Pin 15 Is Tied Low.


Imagine connected the 8 inputs of a gate to the first 8 of the 16 input lines. The above circuit diagram contains two or gates. Web a circuit diagram of this encoder is shown below.

Sketch The Conceptual Implementation Of The Design.


Web half of 16 is 8. The 8:3 encoder is also called as octal. Web the working and usage of 8:3 encoder is also similar to the 4:2 encoder except for the number of input and output pins.